27m – PB 2714
Description
The Platform Basket Spider 27.14 is a high-performance tracked spider lift engineered for versatility, safety, and compact access. Offering a working height of 27 meters and outreach up to 15.1 meters, it provides excellent reach in confined and elevated environments.
With automatic stabilisation, a 360° rotating turret, and the option of diesel, electric, or hybrid powertrains, the Spider 27.14 is ideal for both indoor and outdoor work. Its narrow stowed width (just 0.89 m) enables access through tight entryways, while non-marking rubber tracks ensure delicate surface protection.
This machine is commonly used in arboriculture, facility maintenance, construction, and rental fleets due to its balance of height, reach, and compact design.
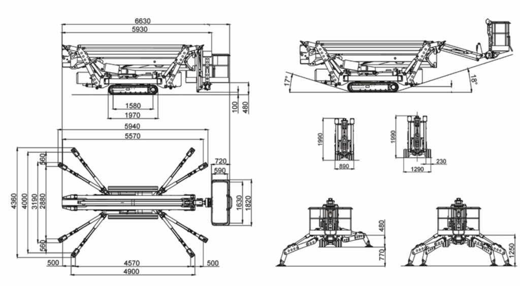
Max working height: 27.01 m (88.6 ft)
Platform height: 25.01 m (82.1 ft)
Max side outreach: 15.11 m (49.6 ft)
Basket capacity: 230 kg (507 lbs)
Basket dimensions: 1.80 m × 0.80 m
Basket rotation: ±86°
Turret rotation: 360° (continuous)
Stabilisation configurations:
Wide: 4.00 m × 4.57 m
Narrow: 2.88 m × 5.57 m
Tower articulation: Double pantograph with jib; 10 m up-and-over clearance
Max horizontal inclination: 14° (31%)
Max side inclination: 17° (31%)
Drive speed: 2.0 km/h
Remote control: Radio with drive speed selector (fast/slow)
Diagnostic system: Onboard display

Operating weight:
STD: 5,000 kg
E: 5,120 kg
ED: 5,200 kg
Ground pressure (stowed):
STD: 5.11 kN/m²
E/ED: 5.42 kN/m²
Ground pressure (on stabilizers):
STD: 2.68 kN/m²
E/ED: 2.84 kN/m²
Max point load on one stabilizer:
STD: 31.9 kN
E/ED: 33.8 kN
STD version:
Engine: Kubota D902 diesel – 22 HP @ 3,600 rpm
Electric motor: 3 CV / 2.2 kW (230V AC)
E version (Electric):
Electric motor: 3 CV / 2.2 kW (230V AC)
Battery: 24 Vdc Lithium Ion, 400 Ah
Charger: Lithium ion charger – 100/50 Ah
ED version (Hybrid):
Engine: Kubota D902 diesel – 22 HP @ 3,600 rpm
Electric motor: 7.4 CV / 5.5 kW (24 Vdc)
Battery: 24 Vdc Lithium Ion, 400 Ah
Charger: Lithium ion charger – 100/50 Ah
Rentals?
Rentals?
High Quality Equipment
Supplying the finest quality equipment, you can be certain our equipment will get the job done
Work Safely
Our equipment allows you to work safely in the most difficult of spaces
Delivery Service
We offer free machine inductions on all our rental equipment
Great Price Guarantee
Providing affordable short term and long term rates

